Hướng dẫn lắp đặt bể tách mỡ gia đình, nhà hàng, khách sạn, bếp ăn công nghiệp


- Tính chất nước thải nhà hàng:
Đối với nước thải nhà bếp chỉ chứa tính dầu mỡ và chất thải thực phẩm từ nhà bếp, nước rửa chén. Nước thải có hàm lượng ô nhiễm chất hữu cơ lớn (BOD, COD), các chất lơ lửng và các nguyên tố dinh dưỡng khác (Nito, Photpho). Một yếu tố gây ô nhiễm quan trọng trong nước thải đó là các mầm bệnh được lây truyền bởi các vi sinh vật. Vi sinh vật gây bệnh bao gồm các nhóm virus, vi khuẩn, giun sán.
- Nguyên lý làm việc của bể tách dầu mỡ
Nước thải từ Nhà hàng bao gồm một lượng dầu mỡ không nhỏ khi xả thải vào đường cống rãnh. Để đảm bảo vệ môi trường tránh bị ô nhiễm dầu, mỡ cần được tách ra trước khi xả thải vào cống. Thiết bị lọc tách mỡ được thiết kế nhằm phục vụ mục đích trên.
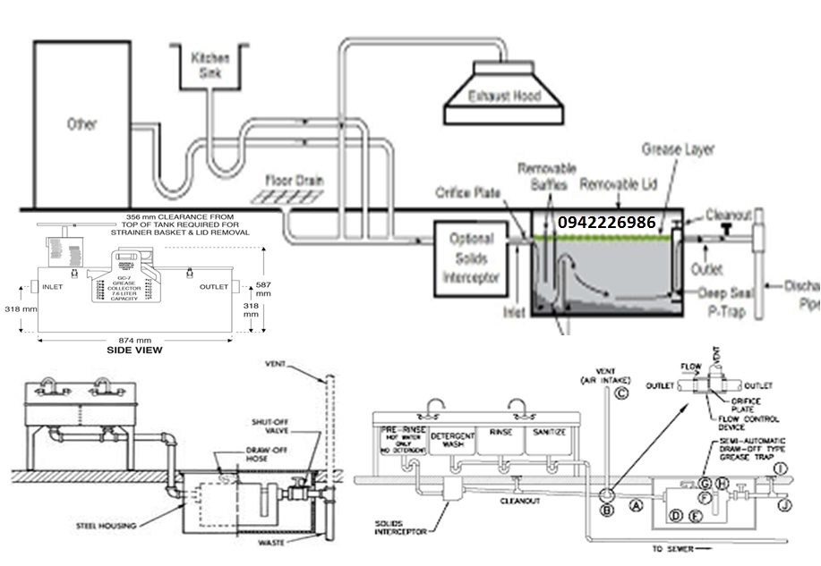
Lắp đặt thiết bị lọc tách mỡ ngay trên đường xả thải, nước thải sẽ chảy trực tiếp vào bể lọc mỡ sau khi đi xuyên qua lớp lưới được thiết kế bên trong bể lọc, cho phép giữ lại các cặn bẩn và tạp chất lớn như rau thừ, rác thải lớn… Sau đó nước chứa dầu mỡ sẽ đi vào ngăn thứ hai, tại đây thời gian lưu nước cho phép đủ để dầu mỡ nổi lên mặt nước, lớp mỡ tích tụ dần thành một màng váng trên bề mặt nước. Định kỳ xả van lấy mỡ ra. Còn phần nước được tách ra sẽ chảy ra ngoài.


- Phương án thi công lắp đặt hệ thống:
Lắp đặt bể tách dầu mỡ công suất 5 m3/ngày đêm, kích thước: b×l×h: 0,6×0,5×0,4 (m).
Vị trí lắp đặt: bể thu gom nước thải hiện tại.
- Dọn dẹp, chuẩn bị mặt bằng, đo đặc đánh dấu.
- Sử dụng mở rộng bể thu gom nước thải thành hố với kích thước 0,7×0,6×0,5 (m)
- Lắp đặt bể tách dầu mỡ vào vị trí đã đào.
- Lấp đất, trả mặt bằng.
- Chạy thử bể tách dầu mỡ.
- Bàn giao bể thu tách dầu mỡ.
Liên hệ chi tiết: KS. Nguyễn Tuấn Anh - Phòng R&D (TV miễn phí - Điện thoại 0963830411)
Công ty CP Kỹ thuật Môi trường và Xây dựng VINACEE Việt Nam
Địa chỉ: Đội 1 Tả Thanh Oai, Thanh Trì, Hà Nội
VPGD: Số 5/2 Ngõ 1295 đường Giải Phóng, Q. Hoàng Mai, TP Hà Nội
ĐT: 0988387885 , 0942226986 (zalo) - Quản lý bán hàng
Email: Vinaceeco@gmail.com





Sang