Cho thuê hệ thống xử lý nước thải phòng khám y tế
Nhằm mở rộng lĩnh vực đáp ứng hơn nữa nhu cầu khách hàng, mang lại giá trị và hiệu quả cao trong hoạt động sản xuất kinh doanh của khách hàng VINACEE Việt Nam thực hiện các đơn hàng, gói dịch vụ cho thuê hệ thống xử lý nước thải theo thời gian 1 tuần, 2 tuần, 3 tuần, 4 tuần ,,,, và theo yêu cầu của các phòng khám trên toàn quốc.
Chi tiết tư vấn liên hệ: ThS. Nguyễn Hữu Tuyên ĐT 094.222.6986 (tư vấn miễn phí).
Các thông tin về hệ thống:
Xử lý nước thải Y tế chứa chủ yếu các chất cặn bã, các chất dinh dưỡng (N, P) các chất rắn lơ lửng (SS), các chất hữu cơ (BOD, COD), máu, chất thải,… và các vi khuẩn khi thải ra ngoài môi trường nếu không được xử lý sẽ gây ô nhiễm nặng tới môi trường.

Đặc trưng nước thải: gồm các chất hữu cơ, dầu mỡ động thực vật, vi khuẩn, các phế phẩm thuốc, các chất khử trùng, các dung môi hóa học, dư lượng thuốc kháng sinh, các chất phóng xạ, các chủng vi khuẩn.
Quy trình xử lý nước thải Y Tế
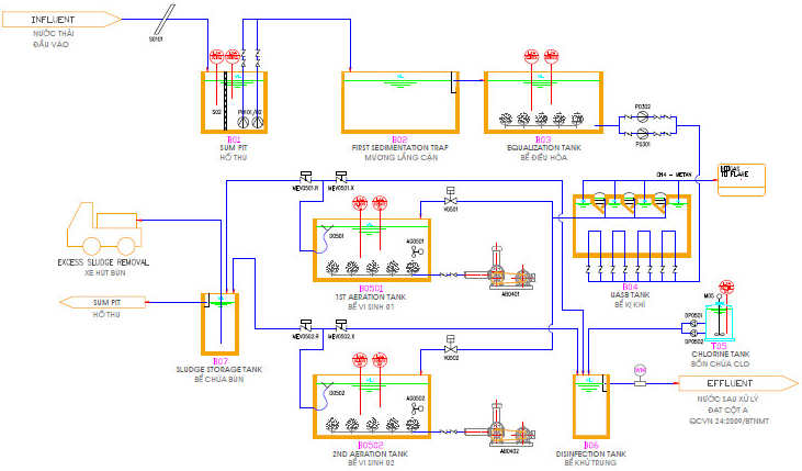
Sơ đồ công nghệ xử lý nước thải Y tế.

Bể thu gom: Bể thu gom có nhiệm vụ thu gom nước thải bệnh viện, tại đây được lắp thêm lưới lược rác để lược rác thô và các chất lơ lững kích thước lớn trong nước thải Nước từ bể thu được bơm sang bể điều hòa.
Bể điều hòa : Bể điều hòa giữ nhiệm vụ điều hòa lưu lượng và ổn định nồng độ trước khi đưa nước thải bệnh viện đến các công trình đơn vị phía sau. Tránh sự biến động về hàm lượng các chất hữu cơ trong nước thải bệnh viện làm ảnh hưởng đến hoạt động của vi sinh vật trong quá trình xử lý sinh học. Tạo điều kiện cho các công trình phía sau ổn định và đạt được hiệu quả xử lý cao.
Để tránh lắng cặn, giảm mùi hôi, ổn định nồng độ hệ thống có lắp đặt hệ thống thổi khí trong bể điều hòa. Từ bể điều hòa nước thải được bơm với lưu lượng ổn định vào Bể sinh học kỵ khí.
Bể sinh học kỵ khí : Nước thải bệnh viện sau khi được điều hòa, ổn định lưu lượng sẽ được bơm dẫn sang bể kỵ khí. Tại đây, nhờ sự phân hủy các chất hữu cơ trong môi trường yếm khí, các chủng vi sinh vật yếm khí sinh trưởng, phát triển, chuyển hóa các chất ô nhiễm trong nước thải thành các chất dinh dưỡng cho tế bào, làm giảm nồng độ ô nhiễm trong nước thải. Sau quá trình xử lý kỵ khí, nước thải được dẫn sang công trình xử lý phía sau.
Bể sinh học thiếu khí :
Nước thải bệnh viện chứa một lượng lớn các chất dinh dưỡng Nito và phốt pho, đây là hai chất dinh dưỡng gây ra hiện tượng phú dưỡng hóa đối với nguồn tiếp nhận và gây ảnh hưởng xấu đến môi trường nước nếu không được xử lý phù hợp, do đó cần phải được loại bỏ trước khi thải vào nguồn tiếp nhận.
Chức năng chính của bể Anoxic là chuyển hóa NO3- trong nước thải thành N2 phân tử và giải phóng vào không khí qua đó làm giảm nồng độ nitrat. Qui trình khử NO3- diễn ra theo phương trình bên dưới:
Bể sinh học hiếu khí:
Chức năng chính của bể sinh học hiếu khí là chuyển hóa amoni có trong nước thải thành Nitrit và Nitrat. Lượng nitrat sinh ra trong quá trình hiếu khí một phần sẽ được tuần hoàn lại bể thiếu khí để thực hiện quá trình khử nitrat, một phần sẽ được giữ lại trong bùn hoạt tính và được lắng lại ở bể lắng sinh học. Quá trình nitrat hóa và khử nitrat sẽ làm giảm nồng độ amoni và nitrat trong nước thải, do đó nước thải sau xử lý đạt tiêu chuẩn đấu nối. Quá trình nitrat hoá được thể hiện theo phương trình bên dưới.
Quá trình khử các chất hữu cơ như BOD và COD được thực hiện cùng với quá trình loại bỏ các chất dinh dưỡng N,P.
Bể lắng sinh học: Bể lắng sinh học 2 là bể tách bùn sinh học ra khỏi nước sạch sau xử lý.
Hỗn hợp bùn & nước thải rời khỏi bể sinh học hiếu khí chảy tràn vào bể lắng sinh học nhằm tiến hành quá trình tách nước và bùn. Những bông bùn sẽ lắng xuống dưới đáy của bể lắng và được Bơm bùn bơm tuần hoàn về bể Aerotank để duy trì nồng độ bùn hoạt tính khi cần thiết. Nếu lượng bùn trong bể dư thì sẽ bơm xả bỏ bùn vào bể chứa bùn
Phần nước trong tập trung ở bề mặt bể lắng 2, được thu gom bằng hệ thống ống thu nước bề mặt, nước tự chảy vào bể khử trùng.Phần bùn dư được bơm thải bỏ vào bể chứa bùn, phần nước tách bùn được dẫn tuần hoàn lại bể điều hòa và tiếp tục quá trình xử lý nước thải. Lượng bùn dư sau khi tách một phần nước sẽ được đơn vị thu gom bùn đến để thu mua và xử lý
Bể Khử trùng: Phần nước trong sau lắng được thu và dẫn sang bể khử trùng. Tại bể khử trùng, hóa chất khử trùng (Chlorine hoặc ozon) được sử dụng để khử khuẩn, tiêu diệt coliform trong nước thải trước khi xả thải ra nguồn tiếp nhận.
Nước thải bệnh viện sau xử lý đạt tiêu chuẩn xả thải theo QCVN 28:2010/BTNMT, Cột B.
Ưu điểm của công nghệ và giải pháp.
- Chi phí vận hành thấp.
 - Vận hành dễ dàng với hệ thống điều khiển.
 - Hiệu suất xử lý cao: xử lý nước thải đạt QCVN 28:2010/BTNMT, Cột B.
 - Tính linh hoạt cao: Công nghệ xử lý chịu được tải trọng ô nhiễm cao, do đó an toàn khi có sự biến động về lưu lượng và nồng độ ô nhiễm.
 
Công ty CP Kỹ thuật Môi trường và Xây dựng VINACEE Việt Nam
Địa chỉ: Đội 1 Tả Thanh Oai, Thanh Trì, Hà Nội
Cơ sở 2: Tầng 9, Số 66, Trần Đại Nghĩa, P. Đồng Tâm, Q.Hai Bà Trung, Hà Nội.
ĐT: 0974887369, 0942226986 (Mr Tuyên)
Email: Vinaceeco@gmail.com
							
						
Viết bình luận
Bạn đã gửi bình luận thành công. Xin cảm ơn!