Cấp - thoát nước trong công trình: Mẫu bản vẽ thiết kế máng thu nước và hộp bẫy mỡ nhà hàng
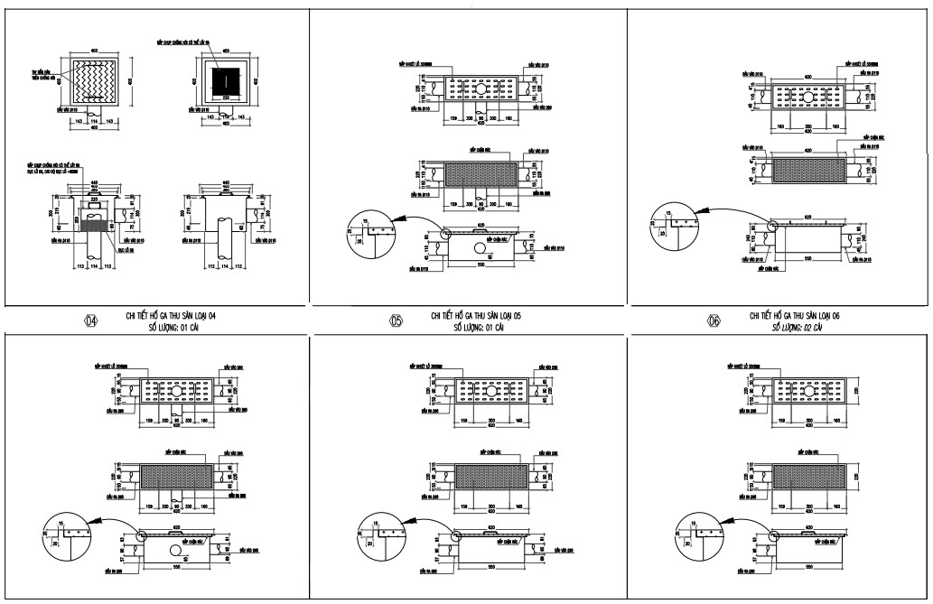
Bài viết này mình chia sẻ bản vẽ chi tiết cho hệ thống thoát nước sàn nhà, bao gồm máng nước inox, hố thu nước sàn, hố thu cuối, bẫy mỡ inox tất cả đều được đơn vị mình thi công, mời anh em tham khảo góp ý cho đơn vị mình nhé.

Mình chia làm 2 phần, phần số 1 là hình ảnh mẫu sản phẩm, minh họa sản phẩm thực tế lắp đặt cho các công trình, phần số 2 mình để link ĐĂNG KÝ NHẬN BẢN VẼ anh em nào cần thêm thông tin hoặc các mẫu bản vẽ thì XEM TẠI ĐÂY NHÉ
Máng thoát sàn - mương thoát sàn là gì?
Là sản phẩm được gia công bằng inox dùng để thoát nước tại các nhà hàng, bếp ăn hiện đại. Sản phẩm có nhiều tên gọi khác nhau như: Vỉ thoát sàn, mương thoát sàn, máng dẫn nước…., máng thu nước sàn.

Tuy tên gọi khác nhau nhưng nhiệm vụ chính của chúng là thoát nước cho các nhà bếp đặc biệt là các nhà hàng, bếp ăn hiện đại có diện tích rộng và được đặt ở những nơi có thiết kế chuyên biệt như các Trung tâm thương mại, bếp ăn công nhân…
Máng thoát sàn được làm như thế nào?
Về cơ bản thì thường có 2 tầng nắp. 1 tầng trên như bình thường thì còn 1 nắp chặn rác, rác có kích thước lớn từ sàng lọt quá tầng thứ nhất sẽ bị nắp chặn rác này loại bỏ nốt. Nắp máng thoát sàn inox thường có tay cầm để xách lên đặt xuống cho thuận tiện dễ dàng và an toàn.

Vật liệu thường sử dụng cho máng thoát sàn là gì?
Về chất liệu: Thường được làm bằng inox 304 có độ dày lớn hơn 1 - 1,2 mm, hoặc các hộp inox có kích thước từ 20×20 mm có độ dày 1 mm. Bạn cũng có thể tìm được các sản phẩm bằng nhựa, Composite, các sản phẩm nhập khẩu

Về tổng thể hệ thống thoát nước: Máng thoát sàn thường kết hợp với các thiết bị như bể tách mỡ âm sàn, hố thu nước để loại bỏ triệt để rác thải mà mỡ, cũng như là tránh gây tắc nghẽn đường ống bảo vệ tốt cho công trình thoát nước, hệ thống thoát nước công cộng.
Lựa chọn nhà cung cấp thiết bị cấp thoát nước (tại đây)
VINACEE luôn tự hào là đơn vị tiên phong về thiết kế, chế tạo, sản xuất cung cấp các thiết bị cấp thoát nước và xử lý nước thải, hệ thống máng thoát sàn, thiết bị tách dầu mỡ bao gồm cả bể tách mỡ cho các căn hộ chung cư tại Việt Nam.

Sản phẩm của VINACEE là kết quả của nghiên cứu và cải tiến sản phẩm của đội ngũ Tiến sỹ, kỹ sư nhiều năm kinh nghiệm trong lĩnh vực Công nghệ môi trường, kỹ thuật môi trường và thoát nước.
Đến với VINACEE Việt Nam bạn sẽ nhận được những lợi ích gì?
Sản phẩm được thiết kế theo yêu cầu: Máng thoát sàn inox được thiết kế tổng thể theo yêu cầu của chủ đầu tư. Chúng tôi nghiêm túc khảo sát, thiết kế và đưa ra các cải tiến cho chủ nhà hàng. Sản phẩm của chúng tôi hoàn toàn đạt chất lượng tốt nhất.
Được làm bằng inox 304 chất lượng cao: Tất cả các sản phẩm của Bách Hóa Inox đều mặc định được bằng inox 304.
Bảo hành lên đến 24 tháng tùy sản phẩm: Có những sản phẩm chúng tôi sẽ cấp chứng chỉ bảo hành lên đến 12 tháng.
Dễ lắp đặt: Nhờ việc khảo sát và thiết kế chi tiết trước khi sản xuất, các sản phẩmmáng thoát sàn inox của chúng tôi rất dễ lắp đặt hoàn thiện.

Tư vấn thiết kế lắp đặt tận nơi: Là một công ty sản xuất chúng tôi hỗ trợ quý khách hàng hoàn tất việc thiết kế và vận chuyển lắp đặt đến tận nơi. Thanh toán sau khi đã hoàn thành nghiệm thu công việc.

LIÊN HỆ ĐẶT HÀNG HOẶC NHẬN TƯ VẤN MIỄN PHÍ
ThS. Nguyễn Hữu Tuyên (0942226986) - XEM THÊM DỰ ÁN
Công ty CP Kỹ thuật Môi trường và Xây dựng VINACEE Việt Nam
Địa chỉ: Đội 1 Tả Thanh Oai, huyện Thanh Trì, TP Hà Nội
Cơ sở 2: Số 2 Ngõ 1295, Giải Phóng, Hoàng Liệt, Q Hoàng Mai, TP Hà Nội.
VPGD: Tầng 2, Tòa nhà Số 25A, Tân Mai, Hoàng Mai, Hà Nội
Showroom: 177 Phố Đại La, P Đồng Tâm, Quận Hai Bà Trung, TP Hà Nội
Liên hệ: ĐT 02432013589, E- Mail: vinaceeco@gmail.com
Viết bình luận
Bạn đã gửi bình luận thành công. Xin cảm ơn!